FM104.8《家在苏州--乐大姐说装修》栏目特邀嘉宾,任何与装修有关的问题,欢迎您添加乐大姐微信:13382100888,
本案是父母给儿子准备的婚房,楼中楼的户型,房子拿到已经有12年了,现在儿子刚刚参加工作,可以考虑婚事了,母亲说“房子给他装修好,谈到合适的对象就可以结婚了!”。因这次是给儿子准备的婚房,业主对房子的设计和装修的品质非常注重,要求比较高。
本案日常居住人口在4-5人左右,父母亲为了儿子将来的幸福,以后准备搬过来跟儿子一起住,照顾孩子们的饮食起居(女业主说对衣食住行她都是很讲究的)。在风格上,业主要求简约的装修风格,一切从务实出发,不讲究那些花哨的装饰,最终选择了现代港式(大平顶设计很合他们心意)!在功能分区方面,业主需要中西厨,中厨的操作台面要大;楼梯踏步太陡不是很舒适;一楼只需要保留一个外卫;主卧需要做一个套间。

有别于香港老电影里拥挤逼仄的香港,现代港式装修风格更擅于冲破繁琐,简化空间装饰;追求实用功能性的最大化,却不过度冗杂累赘;通过营造通透大气的居住环境,更前卫时尚。
玄关作为入户的第一空间,在乐大姐团队设计师的整改下,由狭长无序的结构改造为一个灵活开放的空间隔断,将客厅、餐厅、厨房、一楼主卧、卫生间、楼梯等功能空间融为一体, 既保证了玄关的独立性和功能性,又使整体空间动线通透流畅,不至于显得沉闷。晚归的业主在进门的那一刻,疲惫感瞬间扫尽,等待他的有最爱的人,舒适温馨的家。

延伸进来的客厅,从硬装设计、色彩搭配到家具软装的选择都显得干脆利落,不繁复不冗杂;仅仅只有背景墙采用了浮雕去突出整个空间的层次感,尽显明快舒阔的现代港式风。沙发背后直线修饰的浅灰色背景墙与右边的木饰面、餐厅过道的木质隐藏柜色彩统一,满足了业主对空间、收纳、色调的需求。
大面积的落地窗设计配以纱织透光窗帘和深色避光窗帘,加强了隐私性,又保留了采光度。大理石砖设计增强了空间的通透感,阳光倾进,满室生光。浅灰色的皮质沙发组搭配了雾霾蓝的布艺单椅,茶几上金属质感的装饰物和蓝黑色的艺术玻璃瓶点亮了原本灰调的空间,素色地毯上大面积如墨点般的点缀增加了客厅的高级感,色调温暖柔和,冷与暖之间适度调和,久居也不会有单调乏味之感,只觉得淡妆浓抹总相宜。
电视背景墙采用了素色基底,大理石上墙,极简中又不失格调与内涵,低调奢华;大平顶和无主灯设计让空间多了一些艺术感和灵动感。


餐厅采用了开放式的设计,配色沿袭了空间整体的设计用色,使整个空间更显开阔宽敞;餐桌椅配合背景也同样采用了偏深的配色,零星的绿植在背景的映衬下显得更为出色。
食物是治愈灵魂的良药,这里四季灯火通明,飘香四溢,家人在良好的空间关系中将变得更加亲密。
业主比较重视生活起居中的用餐氛围,设置了餐边柜和酒柜,满足收纳需求,提高了生活品质。酒柜有镜面装饰,让整个空间得以扩展。
楼梯,作为连接各空间的枢纽,色彩低调深沉。大理石的细腻,玻璃的通透,以及光的柔美,都能让人在上面移步时感受到宁静与舒适。楼梯下设置了柜体,可收纳盒摆放一些物品,使空间显得更为整洁。
主卧也是业主情感升温的地方,耳鬓厮磨,互诉心事,安然入梦。在设计上没有使用过多的装饰物,而是充分利用了线条美来装点,墙面采用了素色为背景,在整体偏素的配色下,房间的布置透露出一种简约美,床头柜上一本书,一杯茶,从清晨到傍晚,生活无需太多修饰。不对称式的抽象挂画,搭配金属台灯,使现代与港式风巧妙融合。无主灯设计无形增加了房间的高级感与现代感。
乐大姐团队设计师把主卧外面的阳台包进来打造成休闲区,使空间得以充分利用,这里弥漫着阳光的味道,将一切孤独空虚盈满。我们在独属我们的天地里,畅谈、嬉戏、安眠入睡。


设计师把书房空间全部打开,与主卧之间形成一个开放式的多功能区域,有效的使空间与空间之间形成了对话,加强了不同空间中的家庭成员的互动性及趣味性,也让整个空间从视觉上做到了充分的扩展。书房的素色搭配为业主创造了冷静思考的氛围。
次卧以深色和浅色两种色调进行搭配,浅灰色、白色静谧宜居,而木质墙面地板、深青色的软装、深灰色的地毯,则给整个空间带来了一些时尚气息,注入了活力。
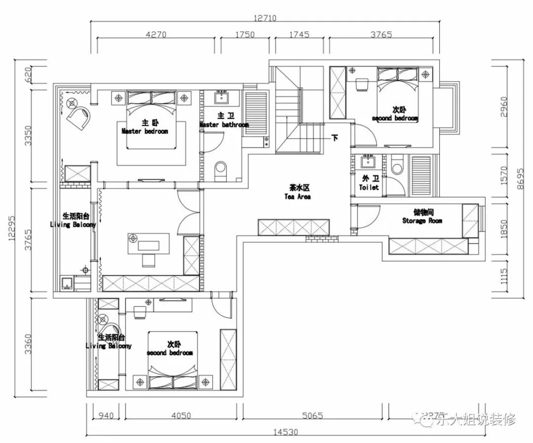
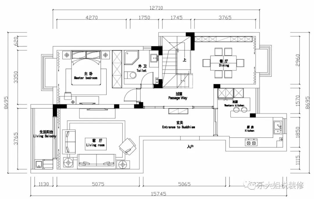
二楼改造后户型图
- 为了避免风水上大门正对着楼梯,乐大姐团队设计师在楼梯的前面做了一个玄关,这样设计不仅有效阻隔了空间,还给空间增加了趣味;
- 为了提高楼梯的舒适性,将原始户型中外卫楼板打通改造为楼梯,这样楼梯的位置增大,既保证了楼梯的舒适性,也保证了楼梯位置的合理性;
- 而原始户型中楼梯的位置则整体扩至厨房空间内,满足业主中西厨的需求,大大增加了厨房的利用率;
- 原始户型中餐厅位于进门口,分区比较模糊,且美观度也较差,设计师根据客户的需求,将原始户型中楼下次卧空间改造成餐厅;
- 考虑到家庭人员结构以及舒适性,将二楼的休闲区域融入到主卧,作为主卧的书房和衣帽间使用。
https://vr.justeasy.cn/view/9006977.html?from=timeline

如果您觉得乐大姐说的内容很有价值
欢迎分享转发至您的朋友圈
让更多的朋友都能轻松装修,自在生活!
当然,您也可以添加乐大姐微信号13382100888
或扫描下方的二维码
说出您的装修难题、让乐大姐为您答疑解惑
不管您是装修完工了
还是即将装修的
或者正在装修的
乐大姐一定知无不言,言无不尽